美国EIT能量计,新版EIT2.0结构图片的差异
UV Power Puck II 东莞芳汇鑫科技技术有限公司
(EIT 四通道能量计)
四通道UV测量计,***次设定UV工业的标准,现在正设定一个新的标准,使用***的性能和容易读取的显示,多用户选择模式,PC通讯能用于数据记录和曲线分析,以及过程验证。
新的UV Power Puck II是之前全球UV工业广泛应用UVICURE Plus和UV Power Puck的***版本。带用户可选的抽样速率,新的测试仪可以用于高速传送带或是更慢的生产线,测量和其他的EIT产品兼容。 东莞芳汇鑫科技
UV Power Puck II四通道:

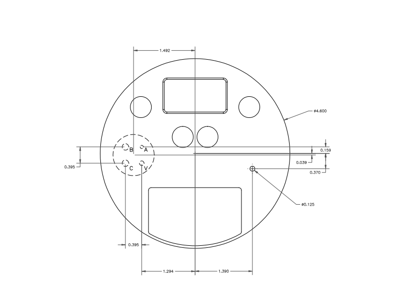
仪器测试面:(探头位置)

四通道UV测量计标准的功能和优点包括:
容易使用,一键完成ON/OFF和运行操作。
四通道UV测量计容易读取数据显示屏,显示4个波段。
四通道UV测量计标准EIT四波段:
UVA (320-390nm),UVB (280-320nm)
UVC (250-260nm),UVV (395-445nm)
单通道UV测量计动态范围
标准版本 – 10 Watt UVA, UVB, UVV;1 Watt UVC。低功率版本 –100 mW。
Standard High Range: UVA, UVB, UVV - 100mW/cm? to 10W/cm? / UVC - 10mW/cm? to 1W/cm?
Mid-Range: UVA, UVB, UVV -10mW/cm2 to 1W/cm2 / UVC: 1mW/cm2 to 100mW /cm2
Low Power: UVA, UVB, UVV - 1mW/cm? to 100mW/cm? / UVC - 1mW/cm2 to 100mW/cm2
探头结构图:

设置功能
提供用户可选的仪表模式用于数据分析,比较,筛选和操作设定。
数据参考模式
用于比较读数。在系统安装和检修故障的时候非常有用。用户可以将选定UV读数存储为基准线或是参考读数,然后和另一个读数比较。仪表会显示两个读数,并指示读数之间的变化***比。数据显示为mJ/cm2 ,mW/cm2, 和***比。东莞芳汇鑫
图形模式显示采集到的每个UV波段的UV照度和能量。图形展示为照度随时间而变化。右边显示的图形表示一个灯或是2个灯的固化系统。
用户可选的抽样率
Smooth On Data:和之前的UV Power Puck 版本兼容。
Smooth Off Data:和之前的UV PowerMap兼容超过2000个样本/秒。
测量的单位
测量的单位是用户可选择的,让操作员容易读取。数据将按您的需要显示。选择的单位可以是:mJ/cm2,mW/cm2,J/cm2,W/cm2,uJ/cm2,uW/cm2。
彩色,容易读取的显示屏
可以选择低,中和高强度用于图形显示。
通讯端口
UV能量计和PC/PDA符合串口通讯协议。下载收集的数据到计算机做统计分析和数据记录,以及过程验证。
|
技术规格表 |
|
|
显示 |
容易读取,黄色数字,黑色背景 |
|
测量范围 |
标准版本:UVA,UVB,UVV -10mW/cm2 to 10W/ m2;UVC -5mW/cm2 to 1W/cm2 |
|
测量精度 |
+/- 10%;+/- 5% 典型 |
|
光谱范围 |
四通道连续监控320-390nm (UVA)、280-320nm (UVB)、 250-260nm (UVC),、395-445nm (UVV) |
|
空间响应 |
近似余弦 |
|
操作温度 |
0-75°C内部温度。允许较短时间的更高外部温度(当温度超过相应的规格,会有警报声提示)操作温度 |
|
时间规定 |
2分钟DISPLAY模式 (没有按键动作)。EITIM也可以设置没有时间显示。 |
|
电池 |
两只可更换AAA碱性电池 |
|
电池寿命 |
大约20小时显示时间 |
|
尺寸 |
直径117mm x高度12.7mm |
|
重量 |
289 克 |
|
外壳材料 |
铝和不锈钢 |
|
手提包材料 |
内部聚亚安酯,软,防划尼龙外壳 |
|
手提包重量 |
260克 |
|
手提包尺寸 |
274mm宽×89mm高×197mm深 |