Instec FS1薄膜冷热台
Instec冷热台——来自液晶先驱院校美国科罗拉多大学的精密温控装置
|
|
|||||||||||||||||||||||||||||||||||||||||||
|
||||||||||||||||||||||||||||||||||||||||||||
|
|
||||||||||||||||||||||||||||||||||||||||||||
|
||||||||||||||||||||||||||||||||||||||||||||
|
||||||||||||||||||||||||||||||||||||||||||||
|
||||||||||||||||||||||||||||||||||||||||||||
|
冷热台常规型号一览 |
|||
|
|
|
|
|
|
型号 |
温度范围 |
样品区 |
型号描述 |
|
HCS302 |
-190~400℃ |
38 x 50 mm |
标准冷热台 |
|
HCS302G |
-190~400℃ |
38 x 50 mm |
气密冷热台 |
|
HCS402 |
-190~400℃ |
38 x 50 mm |
双面加热,更高的温度垂直均匀度 |
|
HCS621G/V |
-190~600℃ |
22 x 22 mm |
600℃高温,气密/真空腔室,可对样品加电 |
|
HCS622G/V |
-190~600℃ |
38 x 38 mm |
600℃高温,气密/真空腔室,可对样品加电 |
|
TS102 |
-30~90℃ |
38 x 50 mm |
半导体冷热台 |
|
TS102W |
-30~90℃ |
38 x 50 mm |
半导体冷热台,增宽视窗和孔径,支持大角度入射 |
|
TS102G/V |
-40~120℃ |
25 x 75 mm |
半导体冷热台,气密/真空腔室,可对样品加电 |
|
TS104G |
-30~90℃ |
97 x 97 mm |
半导体冷热台,4英寸大样品区,气密腔室 |
|
HCS321Gi |
-80~250℃ |
27 x 22 mm |
用于倒置显微镜, |
|
HS1300G HS1400G HS1500G |
室温 ~ 1300℃ 室温 ~ 1400℃ 室温 ~ 1500℃ |
16 mm x 16 mm 或 16mmx26mm |
超高温热台,气密腔室,可对样品加电 |
|
CLM77K CLM77Ki |
-190~120℃ |
9个样品栅格 |
低温生物冷热台,用于正置/倒置显微镜, |
|
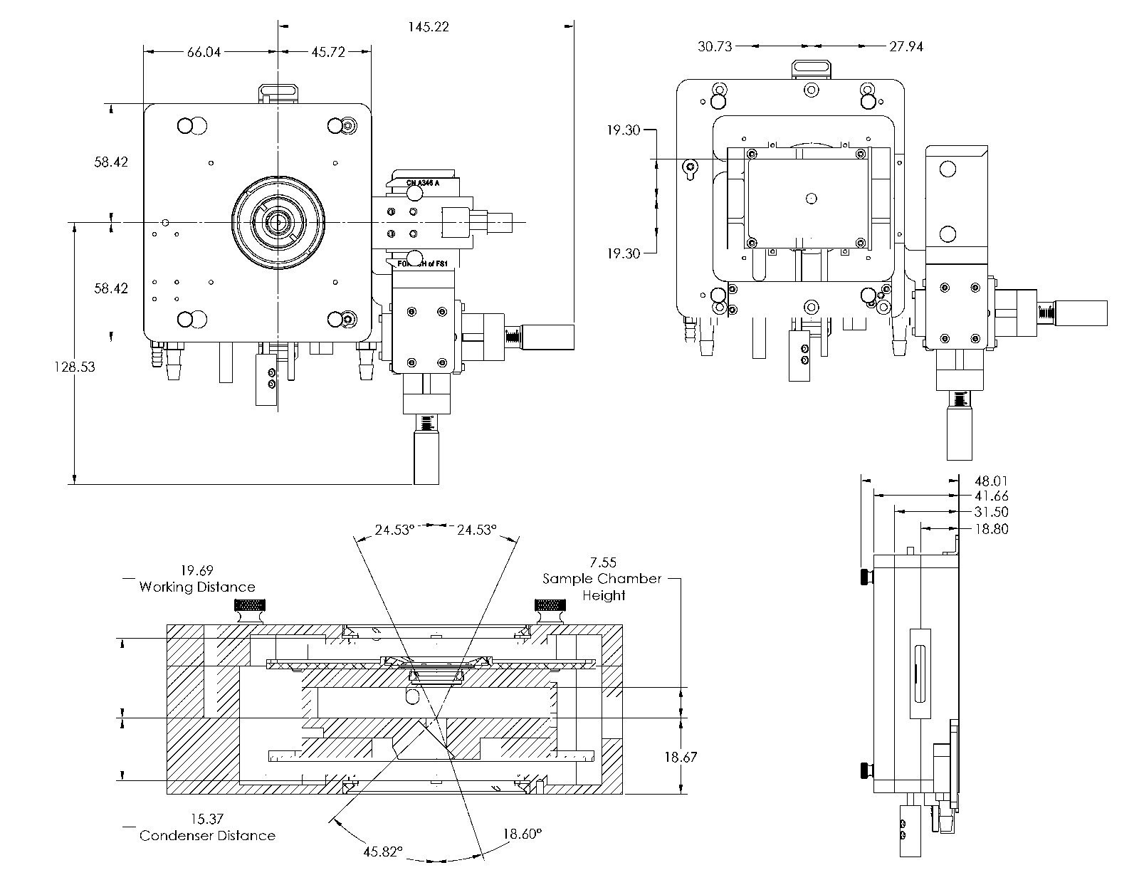
FS1 |
-60~200℃ |
38 x 58 mm |
用于观察薄膜生长 |
|
其他型号 |
---- |
---- |
详情请咨询上海恒商 |
|
客制 |
---- |
---- |
期待您的客制需求,详情请咨询上海恒商 |
欲了解更多型号详请,请咨询上海恒商
另:Instec英斯特科的主要产品包括:
高精度温控装置
冷热台
高低温晶圆夹盘
冷热平板
液晶参数测试仪
液晶测试空盒
液晶材料
欲咨询产品请联系本公司上海恒商精密仪器有限公司
Tel:021-62412881
Email:sales@hsinstrument.com

本公司为美国Instec中国区总代理、瑞典FLCE(FLC Electronics)中国区唯一代理,不经过中间商直接与原厂接触,因此能提供最优惠的价格。
| 单位名称: |
|
详细地址:
上海市徐汇区漕宝路400号1604室
|
|
qq:
|
| 联系电话: |
| Email: |